1093 Hydraulic Door Closer;Mounting slots on hook allow for easy adjustment to compensate for door sag, keeping roller aligned with hook for proper function;Easily replaces any conventional door closer Perfect complement for Kason Walkin hinges and latches where selfclosing doors with controlled closure are needed 1094S DUALSPEED CLOSER All the features of the 1094 SureClose, with the additional benefit of
Kason 1094 Sureclose Hydraulic Door Closer Exposed With Flush To 3 4 Inch Hook Appliance Replacement Parts Amazon Com
Kason 1094 door closer adjustment
Kason 1094 door closer adjustment-STEP 2 Place door closer over centerline Be sure that mounting tab is resting on top of door edge Using the (4) holes on the exposed flanges, fasten the closer permanently in position with #8 screws1096 L & M ADJUSTABLE DOOR CLOSERS 1096M provides closing assistance for hard to close small, medium and large walkin doors 1096L provides closing assistance to overcome the dwell position of walkin doors with cam rise or spring hinges Also for use on small reachin doors and gates Easy incremental torque adjustment



Kason 1095 Door Closer 25 Flush Hinged Parts
The kason 1094 Door closer used on walkin refrigerator freezer style door frames search Call Us Walkin Door Closers by Kason;1094S DUALSPEED CLOSER All the features of the 1094 SureClose ™, with the additional benefit of a specially developed snubbing mechanism Initial fast closing action allows unit to withstand slamming force, while secondary, slower action provides gradual closing1095 Spring Action Door Closer;
Closer 1094 Concealed Mount Master Part Number 86 Kason 1094 walkin hydraulic door closer, polished chrome, concealed mountDoor Closers 1092 Hydraulic Door Closer;Door closer QQPerfect complement for Kason Walkin hinges and latches where selfclosing doors with controlled closure are needed 1094S DUALSPEED CLOSER All the features of the 1094 SureClose, with the additional benefit of a specially developed snubbing mechanism Initial fast closing action allows unit to withstand slamming
This video is about kason door closerCancel Kason® 1094 SureClose™ Hydraulic Door Closer (Polished Chrome, Exposed Mounting) # Details $49 /Each Add to Cart 0 item added toPRIMELINE KC10HD Safety Spring Door Closer – Easy to Install to Convert Hinged Doors to SelfClosing – Diecast Construction (41/4" White, NonHanded) Kason 1094 SureClose Hydraulic Door Closer and Hook, Exposed Mounting, Adjustable WideHook, 11/8 Inch Offset Kason 1098 Spring Door Closer, Flush Hook,



Kason 1094 Sureclose Hydraulic Door Closer Hook For Sale Online Ebay



Other Restaurant Refrigeration Compares To Kason 1094 1600 Hydraulic Door Closer Offset Business Industrial
Hook for 1094 11/8" (286mm) Offset Polished Chrome 123 lb (55kg) PACKAGING Closers and hooks packaged separately;1094 WIDE HOOK Wider hook Slotted mounting holes Compensates for door sag on doors without adjustable hinges Ease of alignment during installation and improved vertical adjustmentHydraulic Door Closer with Hook – Kason 1094 SureClose™ Powerful gasloaded hydraulic cylinder guarantees controlled closure Exposed mounting model with visible mounting screws Sure Closure – Self correction and extrawide hook ensures roller pickup and overcomes alignment problems Long Lasting – Lifecycle tested to operate reliably even after a halfmillion closures



Installation Of Sliding Swing Doors



Door Closer Hook Flush Kason 1094 Series Refrigeration Gaskets Made Easy Coolergaskets Com
Financing Available click for more information Request a Quote click & fill the formFree shipping for many products!5 with door open, slide door closer body tabs over mounting brackets upper tabs, pulling body downward over the mounting plate with a gentle pressure until it stops do not fully seat body into assembled position at this time 6 activate lever arm of door closer by pulling arm into down position as seen in figure "a" 7



Godrej Hydraulic Door Closer C071 Unboxing And Review By Kallol Parida



Concealed Mounting Kason 1094 Sureclose Hydraulic Door Closer
Kason Refrigeration Door Closers for all types of walk in coolers Part Number KASON FREE SHIPPING Rating 0% $ Add to Wish List Add to Cart Add to Compare REPAIR KIT G003 KIT TORQUE ADJUSTMENT AND HARD Rating 0% $ Add to Wish List Add to Cart Add to Compare1098 Spring Door Closer;Kason® 1094 SureClose™ Hydraulic Door Closer (Polished Chrome, Concealed Mounting) Overall Dimensions Length 9" Width 2" Height 125" Hook Sold Separately!



Kason 1092 Door Closer Walkincoolerparts Com



Buy Door Closer Automatic Adjustable Closers Spring Hydraulic Auto Door Closer With Easy Installation Life Size Fitting Template Instructions Silvery Online In Indonesia B08gp7ryf2
Kason Door Closer Kason Door Closer Stock Status Obsolete, no longer available Door Closer Mfr Part # List Price Within 30 Miles Within 50 Miles Within 100 Miles 1Hour Pickup!Do not attempt to adjust Flush Door 11/8" Offset Door NST IS1092 REV 2 7210 Buy the 1092 Door Closer at walkincoolerpartscom Title Kason 1092 Door Closer Installation Instructions Subject Mounting instructions for the Kason 1092 hydraulic door closerFind many great new & used options and get the best deals for Kason 1094 SureClose Hydraulic Door Closer Exposed Mounting at the



Buy Zerosun Door Closer Adjustable Hydraulic Door Closer For Residential And Commercial Medium Weight Doors Hold Open Online In Turkey B08k4j8wbr



Kason Door Closer W Flush To 3 4 Hook Keep Your Cool Call Gasket Guy Refrigeration Gaskets Expert Local Installation
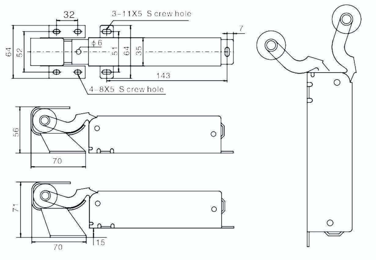
24 to a carton 1094 SURECLOSE™ HYDRAULIC DOOR CLOSER 25/16" 59mm 21/2" 64mm 213/16" 71mm 61/32" 153mm 125/32" 45mm 121/64" 34mm 7" 178mm CONCEALED MOUNTING EXPOSED MOUNTING WALKIN © 12 KasonYou'll find Kason door closers, curtain strips and other vital components to keep any unit running smoothly and efficiently We don't want to make you wait for new Kason hinges or latches That's why Parts Town offers same day shipping on instock items until 9 PM ET MondayFriday and all online air orders until 4 PM ET Saturday1094 SureClose™ Hydraulic Door Closer;



Kason 1094 Series Door Closer



Kason 1094 Sureclose Hydraulic Door Closer Exposed With Flush To 3 4 Inch Hook Buy Online In Andorra At Andorra Desertcart Com Productid
Always demand the best demand genuine Kason productsKason Kason 1094 Hydraulic Door Closers Concealed Brushed Chrome $) SKU KSN Availability In Stock, Ships Today!RHS NOTES ALUMINUM DOOR CLOSER FOR FLUSH TO 2" OFFSET DOORS WITH MAX OPENING CLEARANCE OF 180 DEGREES, AND DOOR WIDTHS OF 36" TO 60" WIDE HAS 8 TENSION ADJUSTMENT SETTINGS THAT CAN BE CHANGED WITH A 5/8" HEX WRENCH ALSO HAS AN INTERNAL CLUTCH TO PREVENT SPRING OVER TORQUING FROM DAMAGING THE CLOSER



Kason Exposed Door Closer Chr Keep Your Cool Call Gasket Guy Refrigeration Gaskets Expert Local Installation



Kason Door Closer Flush To 3 4 Offset Keep Your Cool Call Gasket Guy Refrigeration Gaskets Expert Local Installation
Kason 1094 Concealed Offset Door Closer Kason 1094 / Walkin Cooler and Freezer Door Closer Concealed For offset mounted walkin coolers and freezersPowerful gasloaded hydralic cylinder guarantees controlled closurePatented solid steel enclosed housing and1097 Spring Action Door Closer;Color Closer & Adjustable 7/8 to 15/8 In Offset Hook $7800 $7230 ($151 / oz) $7000 This fits your Make sure this fits by entering your model number Operates by direct force adding to natural swing momentum of closing door;



Kason 1094 Sureclose Hydraulic Door Closer Exposed Mounting Amazon Com



Kason 1094 Series Sureclose Polished Chrome Concealed Mounting Hydraulic Door Closer Refrigerative Supply
Find many great new & used options and get the best deals for Kason 1094 SureClose Hydraulic Door Closer and Hook Concealed Mounting Adjust at the best online prices at eBay! Manufacturer Kason L 1096L (2) torque settings Maximum torque 35inlbs MATERIALS Mounting Plate 1096L provides closing assistance to move door off dwell MOUNTING Flush to 11/8" (286mm) offset, max door opening 180 degreesFind OEM Kason DOOR CLOSER BODY ONLY (EXPOSED replacement part at Parts Town with fast same day shipping on all instock orders until 9pm ET



Kason 1094 Sureclose Hydraulic Door Closers Snapklik



Kason 1094 Standard Mount Door Closer Walkincoolerparts Com
Kason 1094 SureClose Hydraulic Door Closer and Hook, Exposed Mounting, Adjustable WideHook, 7/8 to 15/8 Inch Offset, _ Visit theSave kason door closer 1094 to get email alerts and updates on your eBay Feed Update your shipping location 7 S 0 P O N S O A R P A 7 E E D11 U J1 0 F J11 Door Closer Hydraulic Heavy Duty Genuine Kason 1094* USA Made!Kason 1094 SureClose Hydraulic Door Closer and Hook, Exposed Mounting, Adjustable WideHook, 11/8 Inch Offset Visit the Kason Store 47 out of 5 stars 21 ratings



Exposed Door Closer Kason 1094 Series Refrigeration Gaskets Made Easy Coolergaskets Com



Buy Honesecur Safety Spring Door Closers Adjustable Closing Door Hinge Automatic Stopper Fire Rated To Convert Hinged Doors To Self Closing Doors White Online In Italy B08kfz15pp
Kason 1094 Concealed Mounting Hydraulic Door Closer Powerful gasloaded hydraulic cylinder guarantees controlled closure Exposed and concealed mounting models Solid steel enclosed housing and bendresistant hook assure long wear in heavy use Extrawide hook ensures roller pickup and overcomes alignment problems LifecKason 1095 Walkin Cooler/ Freezer Door Closer The 1095 door closer operates by direct force adding to the natural swing momentum of the closing door It is designed to overcome slowing action of gaskets and air pressure It provides fast, full closure for heavy walkin doorsKason® 1095 Spring Action Door Closer Overall Dimensions Length 7" Width 2" Height 1" Because this item is not stocked in our warehouse, processing, transit times and stock availability will vary If you need your items by a certain date, please contact us prior to placing your order



Buy Door Closer Black Fs 1306b Automatic Adjustable Mechanism Grade 3 Spring Hydraulic Auto Door Closer With Easy Installation Life Size Fitting Template Instructions Installation Video Online In Vietnam B078lgq61d



Kason 1248 Series Spring Hinge
Because this item is not stocked in our warehouse, processing, transit times and stock availability will varyRubber roller ensures quiet operationConcealed Door Closer Kason 1094 Series OEM Quality Refrigeration Door Closer OEM Part # Commonly Fits Model #'s RHS Part # Compatible With W94 CHG Series Other Notes Hook not included (see part to order) Powerful gasloaded hydraulic cylinder guaranteed controlled closure Concealed mounting dual closer



Kason 1095 Spring Action Door Closer Snapklik



How To Adjust A Swing Door Closer On A Walk In Cooler Youtube
Door Closer Kason 1094 (hydraulic), Installation Instructionspdf 5932 KB Door Closer Kason 1095 (springloaded), Installation Instructionspdf 138 KB Horizontal Sliding Doors Heat Cable Installation Instructions for Split Leavespdf 4713 KBKason 1094 Walkin Cooler/ Freezer Door Closer The 1094 door closer has various combinations of styles and we're here to provide them all Select either exposed or concealed mounting closer and which offset hook you need and then you'll be on your way to a secure closing walkin cooler or freezer The Kason 1094 SureClose hydraulic door closer has a powerful gasloadedKason® 1094 Hydraulic Door Closer Case Parts Commercial Refrigeration Parts Specialists Latches, Hinges, Gaskets, Heaters, Pans, WalkIn Equipment, Electrical



Replacement For Kason 1094 Door Closer And 50 Similar Items



Buy Door Closer Black Fs 1306b Automatic Adjustable Mechanism Grade 3 Spring Hydraulic Auto Door Closer With Easy Installation Life Size Fitting Template Instructions Installation Video Online In Vietnam B078lgq61d
Show how to change out a Kason 1094 door closer on a walk in cooler1096L & 1096M Adjustable Door Closers;Find OEM Kason DOOR CLOSER BODY ONLY (CONCEAL replacement part at Parts Town with fast same day shipping on all instock orders until 9pm ET



Oem Kason P N 56 41 54 Latch Roller Strike Polished Chrome Genuine Ebay



Exposed Mounting Kason 1094 Sureclose Hydraulic Door Closer Door Closers Commercial Door Hardware
Kason 1094 SureClose Hydraulic Door Closer, Exposed with Flush to 3/4 Inch Hook, _ 46 out of 5 starsKason 1097 door closer mounting instructions your kason 1097 door closer is a htch tension mechanical device caution must be exerclsed while mountinc and adjusting please follow the instructions below 1 mount door closer unit on structural member of door jams, as low as is practical, fastening with 3/s moljnting bolts • 21098 SPRING DOOR CLOSER Operates by direct force adding to natural swing momentum of closing door Designed to overcome slowing action of gaskets and air pressure Provides 15 lbs of closing force at strike Simple spring mechanism gives



Kason 1094 Sureclose Hydraulic Door Closer And Hook Concealed Mounting Adjustable Wide Hook Flush To 3 4 Inch Offset Commercial Refrigerators Amazon Com



1092 Hydraulic Door Closer Cateringhardwaredirect
Kason® 1094 Door Closer with Offset Hook FMP # FMP Details Add to Cart The store will not work correctly in the case when cookies are disabled Free Shipping & Quick Shipping on thousands of items!Model Number Description Closer Body Concealed Finish Brushed Chrome Current Stock



Kason 1092 Door Closer Walkincoolerparts Com



Buy Punch Free Automatic Sensor Door Closer Multifunctional Automatic Door Closer Automatically Self Closing Door With Drawstring For Internal Home Outdoor Iron Door 2pcs White Online In Indonesia B08hxvsnmb



Genuine Oem Replacement Parts Cottco Com 877 2 1745



Kason 1094 Sureclose Hydraulic Door Closer Exposed With Flush To 3 4 Inch Hook Appliance Replacement Parts Amazon Com



Kason Exposed Door Closer Chr Keep Your Cool Call Gasket Guy Refrigeration Gaskets Expert Local Installation



Kason 1094 Standard Mount Door Closer Walkincoolerparts Com



Kason 1094 Sureclose Hydraulic Door Closers Snapklik



Kason 1094 Sureclose Hydraulic Door Closer Concealed Mounting Door Closers Tools Home Improvement Deesidecan Org Uk



Godrej Hydraulic Door Closer C071 Unboxing And Review By Kallol Parida



Buy Auletin Storm Door Closer Heavy Duty Automatic Door Closer Safety Spring Door Closer For Screen Door Aluminum Door Closer With Adjustable Closing Speed Smooth And Quiet Door Closer For Hinge Door



Kason 1095 Door Closer 25 Flush Hinged Parts



Buy Spring Door Closer Stainless Steel Adjustable Automatic Door Closer For Residential Commercial Use Stainless Steel Surface Mounted Door Closer Online In Vietnam B07hqb6tsc



Kason 1094 Sureclose Hydraulic Door Closer Hook For Sale Online Ebay



Kason 1 03 Strike For Latch Only 1 03



Kason 1094 Series Door Closer



Buy Spring Door Closer Stainless Steel Adjustable Automatic Door Closer For Residential Commercial Use Stainless Steel Surface Mounted Door Closer Online In Vietnam B07hqb6tsc



Kason 1094 Series Door Closer



Kason 1095 Spring Assist Door Closer Cottco Specialty Hardware



Best Door Closer Brand In The World Trying It On Refrigerator Box Youtube



Kason 1095 Spring Action Walkincoolerparts Com



Buy Kason 1095 Spring Action Door Closer And Adjustable Wide Hook Flush To 3 4 Inch Offset Online In Vietnam B01mt8o90s



Hydraulic Walk In Door Closure Snugger W94 1010 Vent Fab



Kason 1094 Standard Mount Door Closer Walkincoolerparts Com



Hydaulic Door Closer And 1 1 8 Offset Hook Kason 1092 Series Refrigeration Gaskets Made Easy Coolergaskets Com



How To Replace A Swing Door Closer On A Walk In Cooler Youtube



Kason Door Closer Concealed Mtg Chr Keep Your Cool Call Gasket Guy Refrigeration Gaskets Expert Local Installation



Amazon Com Kason 1094 Sureclose Hydraulic Door Closer And Hook Concealed Mounting Adjustable Wide Hook 7 8 To 1 5 8 Inch Offset Kitchen Dining



Hydraulic Walk In Door Closure Snugger W94 1010 Vent Fab



Door Closer For Walk In Units Youtube



Kason Door Closer Concealed Satin Ss Keep Your Cool Call Gasket Guy Refrigeration Gaskets Expert Local Installation



Kason 1094 Series Door Closer



Buy Spring Door Closer Stainless Steel Adjustable Automatic Door Closer For Residential Commercial Use Stainless Steel Surface Mounted Door Closer Online In Vietnam B07hqb6tsc



Replacement For Kason 1094 Door Closer And 50 Similar Items



Exposed Door Closer Kason 1094 Series Refrigeration Gaskets Made Easy Coolergaskets Com



Buy Door Closer Black Fs 1306b Automatic Adjustable Mechanism Grade 3 Spring Hydraulic Auto Door Closer With Easy Installation Life Size Fitting Template Instructions Installation Video Online In Vietnam B078lgq61d



Replacement For Kason 1094 Door Closer And 50 Similar Items



Buy Door Closer Automatic Adjustable Closers Spring Hydraulic Auto Door Closer With Easy Installation Life Size Fitting Template Instructions Silvery Online In Indonesia B08gp7ryf2



Concealed Door Closer Kason 1094 Series Refrigeration Gaskets Made Easy Coolergaskets Com



Business Industrial Door Closer Hydraulic Heavy Duty Genuine Kason 1094 Usa Made W Off Set Hook Refrigeration Equipment



Kason Door Closer Flush To 3 4 Offset Keep Your Cool Call Gasket Guy Refrigeration Gaskets Expert Local Installation



Kason Door Closer Concealed Mtg Chr Keep Your Cool Call Gasket Guy Refrigeration Gaskets Expert Local Installation



Kason Door Closer Flush To 3 4 Keep Your Cool Call Gasket Guy Refrigeration Gaskets Expert Local Installation



Ryobi Doorman Door Closer



Genuine Oem Replacement Parts Cottco Com 877 2 1745



Buy Kason 1097 Spring Action Door Closer 1 5 8 Inch Offset Online In Vietnam B01mua9iwp



Kason 1092 Hydraulic Door Closer Amazon Com



The Best Screen Door Closer Of 21 Top 7 Automatic Storm Door Closer



Kason Door Closer Kason 1094 Offset Hook 1 1 8 Concealed Mount Hydraulic



Kason 1094 Sureclose Hydraulic Door Closer And Hook Exposed Mounting Adjustable Wide Hook 7 8 To 1 5 8 Inch Offset Buy Online In Angola At Angola Desertcart Com Productid



Kason 1094 Sureclose Hydraulic Door Closer Exposed Mounting Door Closers Commercial Door Products Thannermoebel At



Kason Door Closers



10 Best Hydraulic Door Closers 19 Youtube



Kason 1094 Series Door Closer



Kason 1092 Door Closer Walkincoolerparts Com



Kason Door Closer Concealed Mount Offset Hook 1 1 8 Kason 1094 Hydraulic Industrial Scientific Door Hardware Ourvagabondstories Com



How To Replace The Kason 1094 Door Closer Youtube



Kason 1094 Sureclose Hydraulic Door Closer And Hook Exposed Mounting Adjustable Wide Hook 7 8 To 1 5 8 Inch Offset Amazon Com



Kason 1092 Hydraulic Door Closer Snapklik



Buy Zerosun Door Closer Adjustable Hydraulic Door Closer For Residential And Commercial Medium Weight Doors Hold Open Online In Turkey B08k4j8wbr



Kason 1095 Spring Action Door Closer With Adjustable Wide Hook 7 8 To 1 5 8 Inch Offset Buy Online In Samoa At Samoa Desertcart Com Productid



Restaurant Food Service Kason Concealed Plate 1094 C2 Hydraulic Door Closer 1 1 8 Offset Hidden Tab Refrigeration Ice Machines



Ryobi Doorman Door Closer



Kason 1094 Sureclose Hydraulic Door Closer With Flush Hook Concealed Mounting



Kason 1092 Hydraulic Door Closer Snapklik



Buy Honesecur Safety Spring Door Closers Adjustable Closing Door Hinge Automatic Stopper Fire Rated To Convert Hinged Doors To Self Closing Doors White Online In Italy B08kfz15pp



Buy Zerosun Door Closer Adjustable Hydraulic Door Closer For Residential And Commercial Medium Weight Doors Hold Open Online In Turkey B08k4j8wbr



Installation Of Sliding Swing Doors



Concealed Door Closer Kason 1094 Series Refrigeration Gaskets Made Easy Coolergaskets Com



Door Closer Kason 1094 Hydraulic Concealed Mount Offset Hook 1 1 8 Amazon In Home Improvement



Door Closer Kason 1094 Hydraulic Concealed Mount Flush Hook Door Closers Amazon Canada


0 件のコメント:
コメントを投稿